Tudo sobre chuveiros
Saber tudo sobre os duches numa sauna é tão importante como saber trabalhar os fogões, como fazer as paredes ou como drenar a água. Deve saber construir você mesmo uma cabina de duche, sem qualquer encanamento. Ao seleccionar projectos pré-fabricados ou ao projectá-los do zero, terá de estudar cuidadosamente a estrutura do chuveiro russo e do chuveiro tropical, tendo em conta as diferenças entre os dois.
Onde colocá-lo?
A localização do chuveiro na sauna deve, evidentemente, ser já pensada na fase de concepção. A experiência tem mostrado que as grandes imprecisões são inevitáveis se este momento for adiado. Um sistema fixo de duche pode ser instalado em qualquer área excepto a sala de vapor. É aconselhável colocar o balneário perto dos pontos de extracção de água. Isto reduz as dificuldades de canalização e os custos de construção. O pavimento de betão permite a instalação de chuveiros em qualquer ponto da sauna, basta considerar a praticidade do local.
Se um aquecedor não estiver disponível, pode instalar um chuveiro de Verão usando um desenho de "balde e cascata". Neste caso, escolha onde colocar o balde, de onde a água será despejada, para se adequar às suas necessidades.
Quer o plano exija um chuveiro russo ou um chuveiro de chuva, a distância ideal no que diz respeito às bombas a serem utilizadas deve também ser tomada em consideração. Isto é particularmente importante quando se extrai água de um furo de sondagem. Ao instalar um chuveiro numa cabina de madeira, deve assegurar-se que a menor quantidade possível de água chega às paredes.
Arranjo e disposição do abastecimento de água
Se for possível abastecer o chuveiro com água de um ponto central de abastecimento de água (por exemplo, de uma banheira), isto é o ideal. É muitas vezes prático encaminhar os tubos a partir do exterior da casa (por via aérea). Isto é relativamente simples e evita trabalhos de escavação extensivos. A única desvantagem é que os tubos abertos podem congelar no Inverno. Mesmo um isolamento cuidadoso nem sempre ajuda. Nota: Para que os longos vãos funcionem de forma mais fiável, terá de usar ancoragem adicional com uma corda.
Ao organizar um tubo de água ao ar livre, recomenda-se a utilização de tubos de polietileno de baixa pressão. São mais fiáveis do que as metálicas, e no Inverno são mais susceptíveis de inchar do que de quebrar do gelo. Uma salvaguarda adicional é evitar colocar torneiras (válvulas) no exterior na última secção da tubagem. O ideal seria que não houvesse nenhuma. Então, toda a água que entra sairá por si só e não congelará mesmo na geada mais severa.
Em muitos casos, contudo, é necessário organizar o abastecimento de água sem tubagem. Um guia passo a passo sobre como fazer um duche numa cabina de madeira sem abastecimento de água, o que é lógico, recomenda que se considere primeiro a opção de obter água de um poço.
Um esquema típico é o seguinte:
-
é colocada uma trincheira;
-
O tubo é enterrado de modo a ir abaixo do nível da geada com uma reserva;
-
colocar o próprio tubo;
-
isolar o tubo com um "casaco" de polímero;
-
fazer um buraco na parede do poço;
-
colocar o tubo lá dentro;
-
ligá-lo a uma bomba convencional (a selecção e instalação da bomba é um tópico separado);
-
isolar as paredes do poço (a menos que isto tenha sido feito na fase de construção do poço, o que é um erro grosseiro);
-
isolar a casa exterior;
-
isolamento de toda a secção da conduta que corre à superfície (optimamente com um cabo de aquecimento).
Atenção: nas zonas permafrost é também necessário instalar um cabo de aquecimento ao longo de todo o tubo subterrâneo. Se houver um furo, também é possível obter água a partir daí.
O encaminhamento dos tubos e os diagramas de ligação são feitos individualmente. Mas em qualquer caso, como no caso de um poço, será necessária uma bomba. Além disso, é necessário um acumulador de pressão.
O tipo de poço a ser criado deve também ser tido em conta. Os furos de superfície produzem a água da pior qualidade. É melhor perfurar até ao horizonte arenoso, ou ainda melhor, até ao horizonte calcáreo. Pode limitar-se a perfurar até ao horizonte arenoso se a parcela contiver uma camada acima da mesma que proteja contra a infiltração de águas superficiais para baixo. Os poços artesianos são a melhor fonte de água, mas por vezes o líquido tem de ser tratado com agentes redutores de dureza.
Importante: é aconselhável utilizar uma estação de bombagem com uma capacidade ligeiramente superior à que o cálculo sugere.
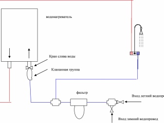
Isto é porque O facto é que a pressão em fontes subterrâneas nem sempre é fiável. E mesmo com o abastecimento de água da rede, este problema ocorre com bastante frequência. Após o acumulador hidráulico, um filtro de água é normalmente incluído no circuito. A escolha do tipo e modelo de filtro é determinada pelo grau de contaminação do líquido; a utilização de um tanque de acumulação e de uma caldeira também pode ser considerada.
Opções de aquecimento
Caldeiras a lenha
Mas aquecer a sua água não é suficiente. Também é necessário considerar como fazer fluir a água quente do duche. O bom de usar um aquecedor a lenha é que pode sempre fazer combustível para ele com as suas próprias mãos. No entanto, tem de ser armazenada. Os altifalantes têm até 2 m de altura e podem, portanto, ser instalados em qualquer sala.
Um desenho típico envolve a instalação de um misturador lateral com uma válvula. Isto é instalado na fábrica, pelo que não há necessidade de se preocupar com isso. Os bons modelos são montados em pernas, o que aumenta consideravelmente a estabilidade. Portas e puxadores são normalmente equipados com inserções que impedem o escaldamento. Caso contrário, terá de escolher individualmente.
Caldeiras eléctricas
A utilização de um aquecedor de fluxo eléctrico ou de um depósito de armazenamento eléctrico é perfeitamente possível. Neste caso, o dispositivo de fluxo é muito mais prático no banho do que o dispositivo de armazenamento.
Em particular, elimina a ocupação de espaço desnecessário no edifício. Por este motivo, pode mesmo ser instalado em saunas de tamanho modesto sem qualquer problema.
Além disso, os sistemas de armazenamento são mais difíceis de instalar e requerem uma manutenção mais frequente; em qualquer caso, deve ser seleccionada uma capacidade extra de 10-15%.
Caldeiras a gás
Esta opção é mais apropriada se já existir uma ligação à rede de gás. Por vezes, as caldeiras alimentadas a gás também podem utilizar um abastecimento de garrafas. Isto não é muito prático ou conveniente, e além disso, o gás pode esgotar-se subitamente. Os modelos mais simples são concebidos para ignição manual. Modificações mais avançadas podem utilizar um sistema de arranque automático.
Caldeiras alimentadas a gás:
-
são relativamente compactos;
-
económico (em comparação com o equipamento eléctrico);
-
Capaz de trabalhar em vários pontos de entrada de água ao mesmo tempo;
-
Bastante complicado de instalar;
-
representam um risco grave se operadas incorrectamente;
-
Requerem um sistema de ventilação de gás de combustão.
Fogões
Este método de aquecimento para chuveiros de banho é bom porque é simultaneamente tradicional e adequado para os locais mais inacessíveis. Também pode ser utilizado em locais onde o aquecimento eléctrico ou a gás não pode ser ligado.
As panelas de aquecimento podem ser equipadas com torneiras especiais, que não podem ser substituídas por torneiras de água normais.
Os fornos estão na maioria das vezes equipados com tanques de água quente. Cabe ao utilizador seleccionar a variante particular do aquecedor de sauna.
Equipamento de drenagem
Mas não o suficiente apenas para servir e aquecer água - ainda deve fazer das suas próprias mãos um canal para a drenagem de líquidos residuais. Tem de considerar que tipo de piso é o melhor para o seu piso. Fazer um buraco no chão com fugas e depois direccionar a água para baixo a partir daí. A partir da bacia de drenagem, o fluxo já vai directamente para o esgoto. O segundo tipo envolve a utilização de um pavimento inclinado com caleiras e esgotos.
Como construir uma banca de duche
A concepção da cabina de duche na sauna é escolhida exclusivamente por si só. Uma banca de duche é essencial porque a água normal, o betão ou o chão em mosaico irão inevitavelmente desgastar-se sob a influência da água. Um tabuleiro especial resolve completamente este problema. Os cubículos são iniciados fazendo um nível de armação na parede. A segunda moldura é aparafusada à outra parede; recomenda-se fazê-lo com um declive de 0,01m.
A terceira moldura deve ser 0,01 m mais baixa do que a segunda unidade.
A quarta moldura é seleccionada e moldada de modo a que tudo seja harmonioso e estável em conjunto.
O passo seguinte consiste em formar a parede lateral. A própria parede da cabina está ligada a ela. Uma vez formada a caixa, a bancada é revestida com OSB, e a parede frontal é coberta com ripas com a fechadura posicionada para cima; esta solução assegurará que o líquido drena precisamente para dentro da bandeja, qualquer que seja a situação.
Próximos passos:
-
revestir a parede lateral com forros;
-
revestir a parede exterior com os mesmos revestimentos;
-
instalação do próprio recinto do chuveiro;
-
criando um dreno;
-
selagem das juntas com selante de silicone.
Recomendações
Ao avaliar a localização do chuveiro, deve considerar a distância não só à entrada de água mas também aos esgotos. Quanto menos tubos de drenagem a puxar, melhor. Se forem utilizados aquecedores de água eléctricos, devem ser instalados cabos potentes. É também aconselhável fornecer um disjuntor automático bastante potente. É também importante ter um disjuntor separado que lhe permita desligar apenas a linha que é utilizada para o aquecedor, caldeira ou aquecedor de água.
Aqui estão mais algumas dicas:
-
Um aquecedor de água de armazenamento permitir-lhe-á dispensar água a vários outros pontos para além do seu chuveiro;
-
Uma bomba do sótão com receptores ajuda-o a lidar com a pressão flutuante na rede de água;
-
É necessária uma camada de isolamento térmico de 0,05-0,07 m;
-
Ao utilizar bases de duche pré-fabricadas, é necessário verificar cuidadosamente o âmbito do fornecimento.
Exemplos pré-fabricados
Este é o aspecto de uma das grandes chuvas de uma sauna com painéis de madeira. O desenho semi-circular é muito bem percebido.
E esta é a solução perfeita para uma sauna de troncos. Mesmo a proximidade máxima da coluna de aquecimento não é vista como estranha e demasiado grosseira. O resultado global é uma composição elegante, embora algo sombria (por causa dos tons escuros).
Ver abaixo como fazer um balneário numa sauna.
