Schematy połączeń i okablowania pośrednich podgrzewaczy wody
Aby nie mieć problemów z ciepłą wodą, nagłymi wyłączeniami, przerwami w pracy, należy zainstalować kocioł pośredniego ogrzewania. Oprócz podgrzewania wody użytkowej jego funkcje obejmują również ogrzewanie mieszkań. Może to być nie tylko wiejski dom, jak wielu uważa. Kocioł może być zainstalowany w mieszkaniu, na terenie zakładu produkcyjnego. Zakres zastosowań jest bardzo szeroki.
Efektywność takiego systemu zależy jednak od schematu montażu i nie musi być on instalowany przez profesjonalistów. System można zainstalować i powiązać samodzielnie. Wystarczy tylko umieć czytać instrukcje instalacji.
Zasady połączeń
System ogrzewania pośredniego to jeszcze jeden obieg, oprócz istniejącego, który zapewnia ogrzewanie dodatkowego zbiornika, zwanego podgrzewaczem wody. Jest on zasilany zwykłą wodą wodociągową, która jest podgrzewana za pomocą wężownicy. W takim systemie nie ma bezpośredniej interakcji między nośnikiem ciepła a wytwarzaną ciepłą wodą. Dlatego nazywa się je pośrednimi.
Przed rozpoczęciem instalacji warto zapoznać się z kilkoma zasadami.
- Woda musi wpływać do dolnej części kotła. Wylot musi być wykonany z górnej części.
- Obieg czynnika chłodzącego w takim układzie musi odbywać się od góry do dołu.
Jeśli będziesz przestrzegać tych zasad, system będzie działał z maksymalną wydajnością.
Poniższy film przedstawia niektóre opcje pośredniego podgrzewacza wody z orurowaniem.
Opcje okablowania
Przez spięcie kotła ogrzewania pośredniego rozumie się połączenie rur samego kotła z instalacją wodną. Sposób wykonania instalacji ma wpływ na działanie całego systemu.
Mocowanie taśm za pomocą serwonapędu i trójdrożnego zaworu pilotowego
Jest to najprostsza metoda układania rur. Stosuje się go w przypadku spożywania dużych ilości wody.
Kocioł jest podłączony do obiegu głównego i obiegu wtórnego. Pierwszy służy do rozprowadzania ciepła do grzejników, drugi obieg ogrzewa wodę w samym kotle. W celu właściwego rozdzielenia przepływu podłączony jest trójdrogowy zawór rozdzielczy.
Termostat monitoruje temperaturę wody w zbiorniku, a gdy osiągnie ona określoną wartość, wysyłany jest sygnał do siłownika. Następnie przesyła strumień podgrzanej wody do głównego obiegu w celu jej ogrzania. Jeśli temperatura wody ponownie spadnie, siłownik przełącza się z powrotem i woda wraca do wężownicy.
Najważniejszym punktem nastawy jest to, że temperatura ustawiona na termostacie musi być wyższa niż temperatura ustawiona w grzejniku! W przeciwnym razie nie będzie możliwe podgrzanie wody do punktu, w którym nastąpi przełączenie obiegu grzewczego.
System dwupompowy
Inną możliwością łączenia w pary jest zastosowanie dwóch pomp równolegle. Jeden jest podłączony do obiegu grzewczego, drugi do zasilania ciepłej wody. Sterowanie pompami powierzono termostatowi, tak jak w pierwszym przypadku. To termostat przełącza tryb pracy.
Jakość ogrzewania pozostaje na wysokim poziomie. Najważniejszą rzeczą przy montażu dwóch pomp jest zamontowanie zaworów zwrotnych na wylocie każdej z pomp. Dzięki temu nie dochodzi do mieszania się przeciwprądów wewnątrz czynnika grzewczego.
Przyłącze ze strzałką przepływu
Jeżeli instalacja grzewcza ma wiele odgałęzień, np. wieloobiegowy system grzejnikowy lub oddzielne odgałęzienie dla ogrzewania podłogowego, wówczas ten typ armatury ma sens. Aby uniknąć trudności z układem, w którym każdy z obiegów ma własną pompę recyrkulacyjną, stosuje się rozdzielacz hydrauliczny.
Rozdzielacz musi wyrównywać ciśnienie w każdym kierunku i zapobiegać szokowi termicznemu. Z tym typem rurociągu mogą wiązać się pewne trudności. Dlatego instalację i późniejszą regulację takiego systemu najlepiej pozostawić profesjonalistom.
Recyrkulacja czynnika grzewczego
Jeżeli ciepła woda jest potrzebna tak szybko, jak to możliwe, lepiej jest zastosować system recyrkulacji. W systemie tworzy się okrągły obieg czynnika grzewczego. Stały przepływ wody przez nie prowadzi do ogrzewania. Skraca to do minimum czas oczekiwania na ciepłą wodę.
W tego typu systemach instaluje się pompę recyrkulacyjną, która zapewnia stały przepływ wody. Strumień ciepłej wody musi być zainstalowany w taki sposób, aby przepływał przez urządzenia, które muszą być ogrzewane przez cały czas. Przykładem takiego urządzenia jest grzejnik z ogrzewaniem podłogowym.
Podłączenie kotła do kotła gazowego
Kocioł gazowy jest wyposażony w czujnik temperatury, który zapewnia prawidłową pracę kotła. Zawór trójdrożny jest podłączony, aby umożliwić ich współpracę. Zawór reguluje przepływ między obiegiem głównym a obiegiem c.w.u.
Do jednoobwodowego kotła gazowego
Połączenie to jest realizowane za pomocą systemu dwóch pomp. Zastępuje on obwód czujnika trójdrożnego. Najważniejsze jest rozdzielenie strumieni czynnika grzewczego. W tym przypadku bardziej poprawne jest mówienie o synchronicznym działaniu dwóch obwodów.
Do dwuobiegowego kotła gazowego
Głównym elementem tego schematu połączeń będą dwa zawory elektromagnetyczne. Istotą jest to, że kocioł jest wykorzystywany jako bufor. Zimna woda jest dostarczana z sieci wodociągowej. Zawór wlotu c.w.u. jest zamknięty. Jeśli zostanie on otwarty, woda będzie najpierw wypływać z bufora, którym jest kocioł. W buforze znajduje się podgrzana woda, której zużycie jest regulowane wydajnością kotła i ustawioną temperaturą.
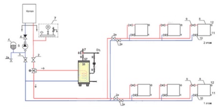
Schemat hydrokolektora
Do równoważenia przepływu nośnika ciepła w systemach wieloobiegowych służy urządzenie zwane rozdzielaczem, znane również jako rozdzielacz hydrauliczny. Umożliwia to zrównoważenie różnych ciśnień w obiegach. Można ją również wykluczyć, ale spowoduje to dodatkowe trudności związane z dodaniem do obwodu zaworów równoważących. Utrudnia to instalację i regulację całego systemu.
Połączenie kotła na paliwo stałe z pośrednim podgrzewaczem wody
Połączenie podgrzewacza wody z kotłem na paliwo stałe rozwiązuje dwa problemy jednocześnie:
- uzyskanie dostępu do ciepłej wody;
- otrzymanie metody zrzutu czynnika grzewczego w sytuacji awaryjnej.
Dzięki temu, że taki system posiada zawór termostatyczny na grzejniku, zwiększa się komfort. Istnieje jednak niebezpieczeństwo przegrzania kotła. Takie samo zagrożenie występuje w przypadku awarii zasilania. Jeżeli zainstalowany zostanie kocioł o większej mocy, nie ma niebezpieczeństwa wystąpienia tego procesu. Dzieje się tak dlatego, że nadmiar ciepła jest wykorzystywany do podgrzewania wody w zbiorniku ciepłej wody użytkowej. W związku z tym do prawidłowego działania tego systemu wymagany jest kocioł z naturalną wentylacją.
Przykład montażu kotła na paliwo stałe z kotłem można obejrzeć na poniższym filmie.
Częste błędy instalacyjne
Jest to konieczne, aby uniknąć wielu błędów podczas procesu instalacji lub regulacji:
- Kocioł i bojler są zainstalowane w dużej odległości od siebie. Należy je nie tylko instalować jak najbliżej siebie. Aby ułatwić instalację, gniazda muszą być prawidłowo wyrównane.
- Nieprawidłowe podłączenie przewodów rurowych do czynnika grzewczego.
- Nieprawidłowa instalacja pompy obiegowej.
Kompetentna instalacja, regulacja i nastawy gwarantują stabilne zaopatrzenie w ciepłą wodę i umożliwiają prawidłowe działanie wszystkich systemów i urządzeń. Zapobiega to zużywaniu się podzespołów i pozwala uniknąć przedwczesnych napraw.
